Что такое шаговые двигатели с редуктором ?
Шаговые двигатели с редуктором - это устройства, которые предназначены для преобразования электрического сигнала в механическое вращение. Они широко применяются в различных областях промышленности, автоматизации и робототехники.
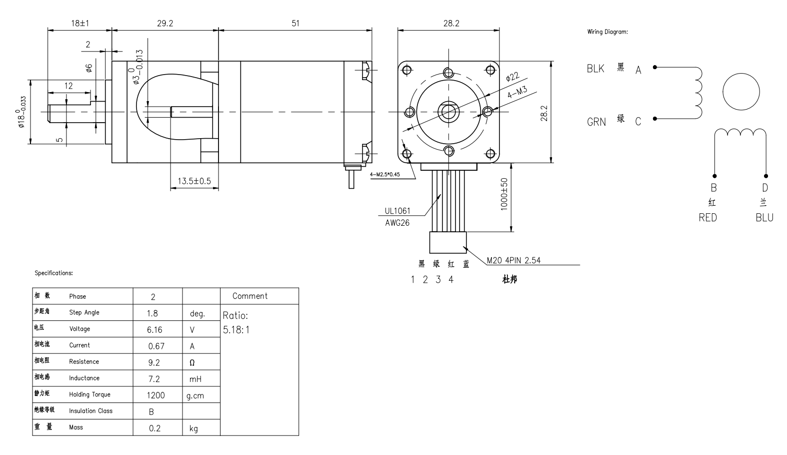
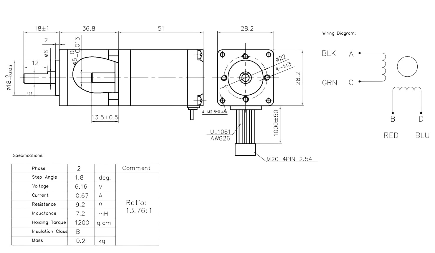
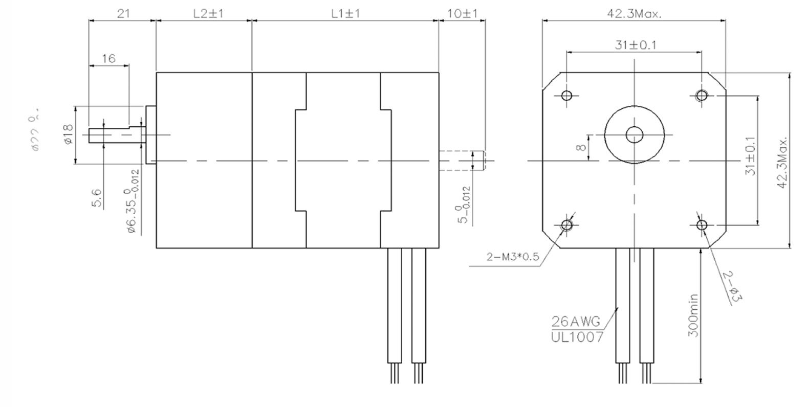
Параметры шаговых двигателей с редуктором
- Ток обмотки. Для преобразования сигналов управляющей платы (Arduino) во вращение ШД необходима специальная плата драйвера. Ваш драйвер должен выдавать требуемое для ШД количество тока. Также драйвер шагового двигателя должен ограничивать нарастание тока до определенной величины за счёт использования широтно-импульсной модуляции, чтобы не допустить резкого скачка крутящего момента
- Крутящий момент. Момент определяется произведением силы на плечо воздействия, то есть для ШД это сила, с которой вращается вал двигателя. В Международной системе единиц (СИ) измеряется в Ньютон-метрах (Н×м), также используются единицы килограмм-сила-сантиметр (кгс×см). Вращающий момент падает с увеличением числа оборотов вращения, и для каждого конкретного двигателя эти числа будут индивидуальны. Мощность двигателя прямо пропорциональна произведению крутящего момента на число оборотов ШД. Обычно реальная мощность уменьшается с уменьшением скорости.
- Индуктивность. Практика показывает, что чем выше индуктивность, тем выше крутящий момент, соответственно и больше требуемое напряжение драйвера и источника питания. Для домашнего станкостроения самый популярный выбор – это быстрый шаговый двигатель с низкой индуктивностью и низким напряжением.
- Передаточное число. Планетарный редуктор имеет самые высокие требования к его изготовлению, более сложен в сборке, однако при малой массе и компактности он обеспечивает широкий выбор передаточных отношений. Для передаточных чисел больше единицы передача считается понижающей, так как она снижает угловую скорость при этом обратно пропорционально повышает крутящий момент. Общая мощность остаётся той же, что была у шагового двигателя, за исключением потерь на передачи, муфты, подшипники с учётом коэффициента полезного действия.
- Типоразмер. В нашем магазине вы можете купить шаговые двигатели с редуктором NEMA 11,NEMA 17, Nema 23 и другие. Цифра в наименовании определяет присоединительный размер фланца двигателя в дюймах, если считать в метрической системе, то это размеры 27 мм, 42 мм итд. Длина двигателя NEMA 11 тоже меньше длины двигателя NEMA 17, как и длина редуктора, присоединяемого к ШД. Диаметр вала Nema 11 тоже меньше – 5 мм против 8 мм у Nema 17. Для ненагруженных перемещений и меньших нагрузок мы чаще всего рекомендуем NEMA 11 с редуктором, для более сложных задач - NEMA 17 с редуктором.
Где купить шаговые двигатели с редуктором?
В нашем интернет-магазине вы можете купить шаговые двигатели с редуктором высокого качества по низкой цене. В наличии все типы размеров Nema Наш ассортимент включает в себя различные модели с различными характеристиками, чтобы каждый клиент мог найти идеальное решение для своих потребностей.
Приобрести шаговые двигатели с редуктором у нас - значит получить надежное оборудование от проверенных производителей, которое обеспечит стабильную работу вашего оборудования или механизма.
Не откладывайте покупку на потом, поторопитесь и приобретите шаговые двигатели с редуктором по выгодной цене уже сегодня!





























