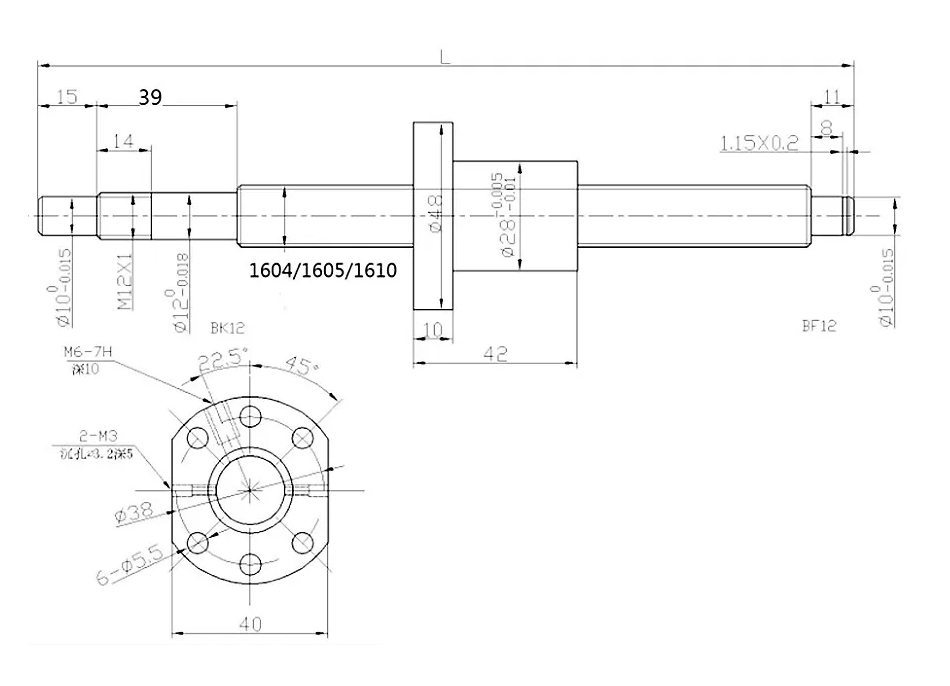
Готовые ШВП, обработанные для ЧПУ
Готовые ШВП поставляются с надетой на винт гайкой. Все элементы передачи подогнаны, на винт нанесена смазка.
Особенности готовых ШВП
Подвергнутые обработке готовые ШВП предназначены для установки на 3D-принтеры, станки или другое оборудование. Они не требуют дополнительной подгонки: гайка надета на винт, нанесена смазка. В ассортименте – наиболее популярные размеры винтов, как по диаметру, так и по длине. Среди основных преимуществ готовых ШВП:
- высокая точность позиционирования;
- минимальный коэффициент трения;
- высокий КПД;
- бесшумная и плавная работа;
- система способна выдерживать значительные нагрузки;
- продолжительный срок эксплуатации;
- высокая скорость передвижения;
- эффективно работает с малошумными двигателями.
Готовая ШВП – это вал, выполненный из высокоуглеродистой стали, с дорожками, по которым движутся шарики установленной гайки.
Готовые ШВП не рекомендуется использовать на ручных подачах, возможно обратная передача по причине минимальной силы трения. Рекомендуется защитить винт от попадания пыли и стружки – это существенно продлит срок эксплуатации.
Стоимость готовых ШВП, обработанных для ЧПУ
Цена готовых ШВП, обработанных для ЧПУ выше, чем у классических трапецеидальных винтовых передач. Это компенсируется возможностью использовать менее мощный двигатель, который будет стоить значительно дешевле, а также высокой точностью позиционирования.

















